next up previous contents
Nächste Seite: Die V.24-Schnittstelle Aufwärts: Rechnerschnittstellen Vorherige Seite: Serielle und parallele Übertragung   Inhalt


Die Centronics-Schnittstelle

Diese Schnittstelle wurde von der Firma Centronics als Druckerschnittstelle entwickelt. Sie hat sich im PC-Bereich durchgesetzt und bildet einen Industriestandard. Sie überträgt die Daten parallel und asynchron im Simplex-Betrieb.

Funktionale Eigenschaften: Der Stecker verfügt über 36 Pole, wie an den Druckern zu finden, an den Rechnern findet man die 25polige Subminiatur-D-Buchse. Dabei sind jedoch keine Signale verloren gegangen, es wurde lediglich auf einige Masseleitungen verzichtet. Es werden nun die wichtigsten Leitungen der Centronics-Schnittstelle, gegliedert nach funktionalen Gesichtspunkten, vorgestellt. Die Leitungsgruppen sind in Abb. 8.2 für beide Stecker dargestellt.

Abbildung: Leitungsgruppen der Centronics-Schnittstelle auf der Anschlußseite des 36-poligen Steckers und des 25-poligen Subminiatur-Steckers.
\includegraphics[scale=0.5]{skriptbilder/lpt_2536.ps}

  1. Datenleitungen: 8 Daten- (DATA 0...7 oder DATA 1...8) und 8 parallele Masseleitungen (GND; Ground). Die Daten- und Masseleitungen können als Twisted Pair (Verdrillte Leitungen; sie dienen zum Schutz vor Störsignalen) im Kabel ausgeführt werden.

  2. Steuerleitungen: 3 Steuer- und 3 Masseleitungen. STROBE ist das Auftaktsignal vom Rechner an den Drucker zum Übertragen von Daten. ACKNLG (Acknowledge) ist das Quittungssignal des Druckers und meldet, daß er Daten übernehmen kann. BUSY zeigt an, daß der Drucker keine Daten empfangen kann, weil er z.B. mit Drucken beschäftigt ist.

  3. Meldeleitungen: 2 Meldeleitungen. PE (Paper End) zur Anzeige des Papierendes und FAULT als Fehlermeldung.

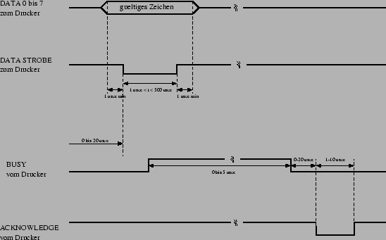
Handshakeverfahren: Die Centronics-Schnittstelle arbeitet mit Hardware-Handshake, siehe Abb. 8.3. Die Datenübertragung beginnt mit dem Setzen des Übernahmesignals (STROBE) durch den Computer, was signalisiert, daß das Byte an den Datenleitungen anliegt. Der Drucker gibt durch das Quittungssignal (ACKNLG) die Bereitschaft bekannt, Daten zu übernehmen. Beginnt der Drucker mit dem Ausdrucken und kann deshalb keine Daten mehr empfangen, so setzt er das BUSY-Signal. Danach ist alles von den Möglichkeiten des Druckers abhängig, d.h. von der Größe des Druckerpuffers und von der Art des Druckers. Ein Nadeldrucker mit geringem Puffer wird z.B. nach dem Empfang des Formatzeichens CR das BUSY-Signal setzen und die Zeile drucken. Ein Laserdrucker dagegen wird warten, bis sein Hauptspeicher von mehreren Megabyte voll ist und dann erst das BUSY-Signal setzen. Danach setzt der Drucker wieder ACKNLG und empfängt weiter Daten.

Abbildung 8.3: Centronics-Timing mit BUSY nach c't 1/84.
\includegraphics{epsfiles/timing.eps}

Die Kabellängen der Centronics-Schnittstelle liegen im Bereich von ein bis drei Metern und maximal von 8 Metern. Die Übertragungsgeschwindigkeit liegt bei 1000 Zeichen pro Sekunde. Weiteres entnehme man der Literatur (z.B. $\nu$c't 1/84$\upsilon$ , $\varepsilon$c't 10/86$\xi$ , $\phi$c't 8/90$\zeta$).


next up previous contents
Nächste Seite: Die V.24-Schnittstelle Aufwärts: Rechnerschnittstellen Vorherige Seite: Serielle und parallele Übertragung   Inhalt
Lars Tornow 2003-04-02